O_加减交替定点原码除法器的FPGA实现
课程设计目的
通过本次课程设计,灵活运用所学知识,掌握不恢复余数加减交替法原码除法器的原理和实现方法,熟悉FPGA的设计和开发过程,在实际操作中找到不足和存在的问题,不断提升自己,进一步学习FPGA的相关操作,使自己在学习和实践中积累更多经验。
摘要
除法作为四则运算中重要的组成之一,在算数运算中占据重要地位。而除法运算相比于其他运算又具有更加严苛的难度,因此对除法器的深入研究有助于深入理解其他运算的过程和原理。本文对传统的恢复余数除法器电路进行改进,采用一种不恢复余数的加减交替设计方法,设计实现16位定点原码除法器,不仅可以克服恢复余数效率低的缺点,也可以解决运算过程太过复杂等问题,从而在实际电路中使原码除法器的运算速度和面积达到更优。
关键词:除法器;定点原码;不恢复余数法;加减交替;运算速度
除法器简介
除法是四则运算之一。已知两个因数的积与其中一个非零因数,求另一个因数的运算,叫做除法。
两个数相除又叫做两个数的比。若ab=c(b≠0),用积数c和因数b来求另一个因数a的运算就是除法,写作c÷b,读作c除以b(或b除c)。其中,c叫做被除数,b叫做除数,运算的结果a叫做商。
如果除式的商数必须是整数,而除数和被除数并非因数关系的话,会出现相差的数值,其相差(以下的d)为余数。通常不定义除以零这种形式。
长除法俗称「长除」,适用于正式除法、小数除法、多项式除法(即因式分解)等较重视计算过程和商数的除法,过程中兼用了乘法和减法。根据乘法表,两个整数可以用长除法(直式除法)笔算。 如果被除数有分数部分(或者说是小数点),计算时将小数点带下来就可以;如果除数有小数点,将除数与被除数的小数点同时移位,直到除数没有小数点。算盘也可以做除法运算。
短除法俗称「短除」,适用于快速除法、多个整数同步除法(故此常用于求出最大公因数和最小公倍数)、二进位数字转换等较重视倍数测试和质因数(连乘式)的除法,过程大多只需用到九九乘法表及 9 以上少许整数的相乘因数。
带余除法就是带有余数的除法,被除数=除数×商+余数。带余除法主要包括整数的带余除法和多项式的带余除法。其中,整数的带余除法定理为:对于任意的a,b(设a≥b且b≠0),存在唯一的商q和余数r 使得a=bq+r。多项式的带余除法则与之类似。
定点小数除法:|X|<|Y|,且Y不为0;
定点整数除法:|X|≥|Y|,且Y不为0。
恢复余数除法简介
定点原码一位除法器的原理是根据人工进行二进制除法的规则:判断被除数与除数的大小,若被除数小,则上商0,并在余数最低位补0,再用余数和右移一位的除数比,若够除,则上商1,否则上商0。然后继续重复上述步骤,直到除尽(即余数为0)或已得到的商的位数满足精度要求为止。另外,上商0还是1是计算者用观察比较的办法确定的,而计算机只能用做减法判断结果的符号为负还是为正来确定。当差为负时,上商为0,同时还应把除数再加到差上去,恢复余数为原来的正值之后再将其左移一位。若减得的差为0或为正值时,就没有恢复余数的操作,上商为1,余数左移一位。
设:
X=X7X6X5X4X3X2X1X0,Y=Y7Y6Y5Y4Y3Y2Y1Y0,其中高四位X7X6X5X4和Y7Y6Y5Y4为符号位,低四位X3X2X1X0和Y3Y2Y1Y0为数据位。则:XY=K*|X||Y|,其中,|X|和|Y|为X和Y的绝对值,K为X和Y的符号位的异或值。
|X||Y|利用恢复余数法求的,商根据余数的符号是正或负来判断。当为负时,上商为0,同时还应该把除数再加到差上去,恢复余数为原来的正值之后再左移一位。若差为0或为正值时,就没有恢复余数的操作,上商为1,余数左移一位。
设被除数X=0.1011,除数Y=-0.1101,除法人工计算过程:

商:0.10110,余数:0.10110×2-5。
人工进行二进制除法的规则:判断被除数与除数的大小,若被除数小,则上商0,并在余数最低位补0,再用余数和右移一位的除数比,若够除,则上商1,否则上商0。然后继续重复上述步骤,直到除尽(即余数为零)或已得到的商的位数满足精度要求为止。
右移除数,可以通过左移被除数(余数)来替代,左移出界的被除数(余数)的高位都是无用的零,对运算不会产生任何影响。另外,上商0还是1是计算者用观察比较的办法确定的,而在计算机中,只能用做减法判结果的符号为负还是为正来确定。
当差为负时上商为0,同时还应把除数再加到差上,恢复余数为原来的正值之后再将其左移一位。若差为正或为0时,没有恢复余数的操作,上商为1,余数左移一位。这种方法称为恢复余数法。
缺点:当某一次-Y的差值为负时,要多做一次+恢复余数的操作,降低了执行速度,又使控制线路变得复杂,因此在计算机中很少采用。
例:X=0.1011,Y=0.1101,用恢复余数法求X/Y。
解:[-Y]补=11.0011,取双符号位,-Y用+[-Y]补取代。

商:X/Y=0.1101,余数=0.0111×2-4。
计算机中普遍采用的是不恢复余数的除法方案,称之为加减交替法
加减交替除法简介
加减交替法是对恢复余数除法的一种修正。当某一次求得的差值(余数Ri)为负时,不是恢复它,而是继续求下一位商,但用加上除数(+Y)的办法来取代(-Y)操作,其他操作依然不变。
加减交替法的规则如下:
(1)当余数为正时,商上1,求下一位商的办法,是余数左移一位,再减去除数;
(2)当余数为负时,商上0,求下一位商的办法,是余数左移一位,再加上除数。
此方法不用恢复余数,所以又叫不恢复余数法。但若最后一次上商为0,而又需得到正确余数,则在这最后一次仍需恢复余数。
例:X=0.1011, Y=0.1101,用加减交替法求X/Y。
解:[-Y]补=11.0011,取双符号位,-Y用+[-Y]补取代。

商:X/Y=0.1101,余数:0.0111×2-4。
附:补码加减交替除法
从[X]补与[Y]补直接求[X/Y]补。
补码除法规则比原码除法规则复杂。当除数和被除数用补码表示时,判别是否够减,要比较它们的绝对值的大小
若两数同符号,要用减法,若异号,则要用加法。
对于判断是否够减,及确定本次上商1还是0的规则,还与结果的符号有关。
当商为正时,商的每一位上的值与原码表示一致;当商为负时,商的各位应是补码形式的值,一般先按各位的反码值上商,除完后,再用在最低位上加1的办法求出正确的补码值。
在被除数的绝对值小于除数的绝对值(即商不溢出)的情况下,补码一位除法的运算规则如下:
(1)如果被除数与除数同号,用被除数减去除数;
如果被除数与除数异号,用被除数加上除数。
如果所得余数与除数同号上商1,
如果所得余数与除数异号上商0,
该商即为结果的符号位。
(2)求商的数值部分。
如果上次上商1,将余数左移一位后减去除数;
如果上次上商0,将余数左移一位后加上除数。
如果所得余数与除数同号上商1;
如果所得余数与除数异号上商0。
如此重复执行n-1次(设数值部分n位)。
(3)商的最后一位一般采用恒置1的办法,并省略了最低位+1的操作,此时最大误差为±2-n。如果对商的精度要求较高,则可按规则(2)再进行一次操作并执行加[Y]补或加[-Y]补恢复余数,以求得商的第n位。
当除不尽时:若商为正,商的最低位不加1;若商为负,商的最低位加1,使商从反码值变成补码值。
当能除尽时:若除数为正,商的最低位不加1;若除数为负,商的最低位加1。
说明:(1) 表中i=0~n-1。
(2) 商一般采用末位恒置“1”的方法,操作简便。
设计方案
4.1 设计原理
算法为不恢复余数的加减交替法,包含数据寄存器模块、加法器模块、相反数求补器模块、移位器模块、选择器模块、余数恢复器模块。


除法开始前,除数的原码放在输入寄存器中。除法开始后,首先用被除数减去除数,若运算结果大于0,商上1。若结果小于0,商上 0。然后被除数左移一位。若商的最后一位为0,需要恢复余数,否则直接输出结果,结束运算。
建立Verilog模型
16位寄存器模块
/*输入寄存器(16+1位输入,16+2位输出)
*/
module ireg(..//output reg [1:0]sign,
output reg [17:0]iregout,
input [16:0]iregin,
input clk);
always @(posedge clk)
begin
iregout[16:0]<=iregin;
iregout[17]<=iregin[16];
//sign[0]<=iregin[16];
//sign[1]<=iregin[16];
end
endmodule
/*商寄存器(16+1位输入,16+1位输出)
(输出商只需要1位符号位,即一共17位)
*/
module oreg(output reg [16:0]oregout,
input [16:0]oregin,
input clk);
always @(posedge clk)
begin
oregout<=oregin;
end
endmodule
/*余数寄存器
*/
module remreg();
//用加法器替代
endmodule主要用于输入的符号位扩展即寄存功能。
寄存器模块电路结构:
寄存器模块测试:
`timescale 1ns/1ps
module IC;
wire [17:0]iregout;
wire [16:0]oregout;
reg [16:0]iregin;
reg [16:0]oregin;
reg clk;
initial
begin
clk=1'b0;
forever #10 clk=~clk;
end
initial
begin
iregin=17'b0_1010_1010_1010_1010;
oregin=17'b0_1010_1010_1010_1010;
#20 iregin=17'b0_1010_1000_1010_1000;
oregin=17'b0_1010_1000_1010_1000;
#20 iregin=17'b1_0000_0001_0000_0001;
oregin=17'b1_0000_0001_0000_0001;
#20 iregin=17'b1_0000_0101_0000_0101;
oregin=17'b1_0000_0101_0000_0101;
#50 $stop;
end
ireg irA0(iregout,iregin,clk);
oreg orB0(oregout,oregin,clk);
endmodule
16位加法器模块
module adder(output reg [17:0]addout,
output reg resone,
input [17:0]adda,
input [17:0]addb,
input clk);
always @(posedge clk)
begin
addout=adda+addb;
resone=~addout[17];
end
endmodule加法器模块电路结构:
加法器模块测试:
`timescale 1ns/1ps
module IC;
wire [17:0]addout;
wire resone;
reg [17:0]adda;
reg [17:0]addb;
reg clk;
initial
begin
clk=1'b0;
forever #10 clk=~clk;
end
initial
begin
adda=18'b11_0101_0000_0101_0000;
addb=18'b00_0000_0101_0000_0101;
#20 adda=18'b00_1010_0000_1010_0000;
addb=18'b11_0000_1010_0000_1010;
#20 adda=18'b00_0011_0011_0011_0011;
addb=18'b00_1100_1100_1100_1100;
#20 adda=18'b11_1001_0000_1001_0000;
addb=18'b11_0000_1001_0000_1001;
#50 $stop;
end
adder add(addout,resone,adda,addb,clk);
endmodule
16位相反数求补器模块
module complement(output reg [16:0]comout,
input [16:0]comin,
input clk);
reg [15:0]comtmp;
always @(posedge clk)
begin
comtmp[0]=~comin[0];
comtmp[1]=~comin[1];
comtmp[2]=~comin[2];
comtmp[3]=~comin[3];
comtmp[4]=~comin[4];
comtmp[5]=~comin[5];
comtmp[6]=~comin[6];
comtmp[7]=~comin[7];
comtmp[8]=~comin[8];
comtmp[9]=~comin[9];
comtmp[10]=~comin[10];
comtmp[11]=~comin[11];
comtmp[12]=~comin[12];
comtmp[13]=~comin[13];
comtmp[14]=~comin[14];
comtmp[15]=~comin[15];
comtmp=comtmp+16'b0000_0000_0000_0001;
comout=comtmp;
comout[16]=~comin[16];
end
endmodule相反数求补器模块测试:
`timescale 1ns/1ps
module IC;
wire [16:0]comout;
reg [16:0]comin;
reg clk;
initial
begin
clk=1'b0;
forever #10 clk=~clk;
end
initial
begin
comin=17'b1_0000_0101_0000_0101;
#20 comin=17'b1_1010_0000_1010_0000;
#20 comin=17'b0_0000_0101_0000_0101;
#20 comin=17'b0_1010_0000_1010_0000;
#50 $stop;
end
complement com(comout,comin,clk);
endmodule
移位器模块
module shift(output reg [17:0]remout,
output reg [16:0]resout,
input [17:0]remin,
input [16:0]resin,
input resone,
input clk);
reg [34:0]shitmp; //35=17+18=(16+1)+(16+2)
always @(posedge clk)
begin
shitmp[0]=resone;
shitmp[16:1]=resin[16:1];
shitmp[34:17]=remin[17:0];
shitmp=shitmp<<1;
resout=shitmp[16:0];
remout[17:0]=shitmp[34:17];
end
endmodule移位器模块电路结构:
移位器模块测试:
`timescale 1ns/1ps
module IC;
wire [17:0]remout;
wire [16:0]resout;
reg [17:0]remin;
reg [16:0]resin;
reg resone;
reg clk;
initial
begin
clk=1'b0;
forever #10 clk=~clk;
end
initial
begin
resone=1'b1;
remin=18'b11_0000_0101_0000_0101;
resin=17'b1_0000_0101_0000_0101;
#20 remin=18'b11_1010_0000_1010_0000;
resin=17'b1_1010_0000_1010_0000;
#20 remin=18'b00_1100_1100_1100_1100;
resin=17'b0_1100_1100_1100_1100;
#20 remin=18'b00_1111_0000_1111_0000;
resin=17'b0_1111_0000_1111_0000;
#50 $stop;
end
shift shi(remout,resout,remin,resin,resone,clk);
endmodule
选择器模块
module chose(output reg [17:0]choout,
input [16:0]choin,
input resreg,
input clk);
reg [15:0]chotmp;
always @(posedge clk)
begin
if(!resreg)
begin
choout[16:0]=choin;
choout[17]=choin[16];
end
else if(resreg)
begin
chotmp[0]=~choin[0];
chotmp[1]=~choin[1];
chotmp[2]=~choin[2];
chotmp[3]=~choin[3];
chotmp[4]=~choin[4];
chotmp[5]=~choin[5];
chotmp[6]=~choin[6];
chotmp[7]=~choin[7];
chotmp[8]=~choin[8];
chotmp[9]=~choin[9];
chotmp[10]=~choin[10];
chotmp[11]=~choin[11];
chotmp[12]=~choin[12];
chotmp[13]=~choin[13];
chotmp[14]=~choin[14];
chotmp[15]=~choin[15];
chotmp=chotmp+16'b0000_0000_0000_0001;
choout[15:0]=chotmp;
choout[16]=~choin[16];
choout[17]=~choin[16];
end
end
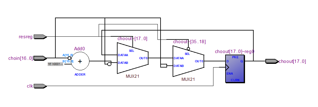
endmodule选择器模块电路结构:
选择器模块测试:
`timescale 1ns/1ps
module IC;
wire [17:0]choout;
reg [17:0]choin;
reg resreg;
reg clk;
initial
begin
clk=1'b0;
forever #10 clk=~clk;
end
initial
begin
resreg=1'b0;
choin=18'b11_0000_0101_0000_0101;
#20 resreg=1'b0;
choin=18'b11_1010_0000_1010_0000;
#20 resreg=1'b1;
choin=18'b00_0000_0101_0000_0101;
#20 resreg=1'b1;
choin=18'b00_1010_0000_1010_0000;
#50 $stop;
end
chose cho(choout,choin,resreg,clk);
endmodule
恢复余数模块
module remrec(output reg [17:0]rrout,
input [17:0]rrina,
input [17:0]rrinb,
input rrreg,
input clk);
always @(posedge clk)
if(!rrreg)
rrout=rrina+rrinb;
endmodule恢复余数模块电路结构:
恢复余数模块测试:
`timescale 1ns/1ps
module IC;
wire [17:0]rrout;
reg [17:0]rrina;
reg [17:0]rrinb;
reg rrreg;
reg clk;
initial
begin
clk=1'b0;
forever #10 clk=~clk;
end
initial
begin
rrreg=1'b0;
rrina=18'b11_0000_0101_0000_0101;
rrinb=18'b11_1010_0000_1010_0000;
#20 rrreg=1'b0;
rrina=18'b11_1010_0000_1010_0000;
rrinb=18'b00_0000_0101_0000_0101;
#20 rrreg=1'b1;
rrina=18'b00_0000_0101_0000_0101;
rrinb=18'b11_1010_0000_1010_0000;
#20 rrreg=1'b1;
rrina=18'b00_1010_0000_1010_0000;
rrinb=18'b00_0000_0101_0000_0101;
#50 $stop;
end
remrec rr(rrout,rrina,rrinb,rrreg,clk);
endmodule
测试模块
`timescale 1 ns/ 1 ps
module IC;
reg clk;
wire [16:0]dividend;
wire [16:0]divisor;
wire [16:0]remainder;
wire [16:0]result;
IC_CDesign i1(
.clk(clk),
.dividend(dividend),
.divisor(divisor),
.remainder(remainder),
.result(result));
always
#10 clk=~clk;
initial
begin
clk=0;
//dividend=17'b0_1010_0000_1010_0000;
//divisor=17'b0_0001_1010_0001_1010;
#1000 $stop;
end
endmodule功能仿真
功能仿真是验证所设计的Verilog模型的功能是否正确和符合要求,不涉及设计实现后实际电路的时延等问题。利用Modelsim仿真工具对不恢复余数加减交替的16位定点原码除法器的Verilog模型进行功能仿真。
具体仿真波形图如下图所示,图中形象的显示了被除数与除数、初始标志位、商和余数的数值波形。此外可以将过程各项展开,便可观察到整个除法器的运算流程及各模块的过程数值。
仿真波形图

通过上图可知各组数据的测试结果如下所示:
被除数:0_1010_0000_1010_0000,
除数:0_0001_1010_0001_1010,
商:1_1100_0110_1110_0000,
余数:1_0000_1101_0100_0000。
逻辑综合
逻辑综合是将硬件描述语言描述的设计输入转换成与或非门、触发器、存储器等基本元件的连接关系,根据约束条件对生成的门级逻辑连接进行优化,生成为下一步实现所利用的网表文件。
经过优化后,16位定点原码除法器模块的RTL Viewer图如下图所示:
16位定点原码除法器模块RTL_Viewer图
用QuartusII进行逻辑综合,进行分配引脚,具体如下图所示。之后便可以在FPGA开发板上进行逻辑综合。
引脚分配图
综合结果:
Flow Status Successful - Wed Oct 10 14:47:01 2018
Quartus II 64-Bit Version 13.0.0 Build 156 04/24/2013 SJ Full Version
Revision Name IC_CDesign
Top-level Entity Name IC_CDesign
Family Cyclone
Device EP1C12Q240C8
Timing Models Final
Total logic elements 1,369 / 12,060 ( 11 % )
Total pins 69 / 173 ( 40 % )
Total virtual pins 0
Total memory bits 139,264 / 239,616 ( 58 % )
Total PLLs 0 / 2 ( 0 % )下载到开发板,用QuartusII的SignalTapII进行硬件测试,传回的数据波形与用Modelsim仿真的数据一致,硬件测试正确。
总结
本文对16位不恢复余数加减交替法定点原码除法器进行了设计,掌握了16位定点原码除法器的原理和设计方法,并通过Verilog和QuartusII对该除法器进行功能仿真和逻辑综合,对整个设计和验证过程有了更深刻的理解。通过本次课程设计也明确了16位不恢复余数加减交替法定点原码除法器具有速度快,电路结构简单,占用面积小,带负载能力强的特点,而与16位恢复余数定点原码除法器相比,本文的除法器在实际电路中运算速度和面积可以达到更优。
参考文献
[1]胡乃平 曲英杰 周艳平编著. 计算机组成与结构 ---北京:清华大学出版社.2011.10
[2]曲英杰 方卓红编著.超大规模集成电路设计 ---北京:人民邮电出版社.2015.2
[3]袁春风编著. 计算机组成与系统结构 ---北京:清华大学出版社.2010.4
[4]李亚民编著. 计算机组成与系统结构 ---北京:清华大学出版社.2000年
[5]夏宇闻. 译.Verilog HDL 数字设计与综合[M].2版.北京:电子工业出版社,2004年
附录
16位不恢复余数加减交替定点原码除法器模块:
/*顶层模块
//divisor除数
//dividend被除数
//result商
//remainder余数
//sign符号
//clk时钟信号
32->16->8->4;33->17->9->5;
*/
module IC_CDesign(..//output [1:0]sign, //两个1位符号位
output reg [16:0]remainder, //16是最高位
output reg [16:0]result,
output [16:0]dividend,
output [16:0]divisor,
input clk);
wire [16:0]dividendori=17'b0_1010_0000_1010_0000;
wire [16:0]divisorori=17'b0_0001_1010_0001_1010;
assign dividend=dividendori;
assign divisor=divisorori; wire [17:0]dividendtmp;
wire [17:0]divisortmp[16:0];
wire [17:0]remaindertmp[17:0];
wire [17:0]remaindershitmp[15:0];
wire [16:0]resulttmp[17:0];
assign resulttmp[0]=17'b0_0000_0000_0000_0000;
wire resone[17:0];
assign resone[0]=1'b1; //首次操作为减除数
ireg irA0(dividendtmp,dividendori,clk);
chose choB1(divisortmp[0],divisorori,resone[0],clk);
adder addA1(remaindertmp[0],resone[1],dividendtmp,divisortmp[0],clk);
shift shiA1(remaindershitmp[0],resulttmp[1],remaindertmp[0],resulttmp[0],resone[1],clk);
chose choB2(divisortmp[1],divisor,resone[1],clk);
adder addA2(remaindertmp[1],resone[2],remaindershitmp[0],divisortmp[1],clk);
shift shiA2(remaindershitmp[1],resulttmp[2],remaindertmp[1],resulttmp[1],resone[2],clk);
chose choB3(divisortmp[2],divisor,resone[2],clk);
adder addA3(remaindertmp[2],resone[3],remaindershitmp[1],divisortmp[2],clk);
shift shiA3(remaindershitmp[2],resulttmp[3],remaindertmp[2],resulttmp[2],resone[3],clk);
chose choB4(divisortmp[3],divisor,resone[3],clk);
adder addA4(remaindertmp[3],resone[4],remaindershitmp[2],divisortmp[3],clk);
shift shiA4(remaindershitmp[3],resulttmp[4],remaindertmp[3],resulttmp[3],resone[4],clk);
chose choB5(divisortmp[4],divisor,resone[4],clk);
adder addA5(remaindertmp[4],resone[5],remaindershitmp[3],divisortmp[4],clk);
shift shiA5(remaindershitmp[4],resulttmp[5],remaindertmp[4],resulttmp[4],resone[5],clk);
chose choB6(divisortmp[5],divisor,resone[5],clk);
adder addA6(remaindertmp[5],resone[6],remaindershitmp[4],divisortmp[5],clk);
shift shiA6(remaindershitmp[5],resulttmp[6],remaindertmp[5],resulttmp[5],resone[6],clk);
chose choB7(divisortmp[6],divisor,resone[6],clk);
adder addA7(remaindertmp[6],resone[7],remaindershitmp[5],divisortmp[6],clk);
shift shiA7(remaindershitmp[6],resulttmp[7],remaindertmp[6],resulttmp[6],resone[7],clk);
chose choB8(divisortmp[7],divisor,resone[7],clk);
adder addA8(remaindertmp[7],resone[8],remaindershitmp[6],divisortmp[7],clk);
shift shiA8(remaindershitmp[7],resulttmp[8],remaindertmp[7],resulttmp[7],resone[8],clk);
chose choB9(divisortmp[8],divisor,resone[8],clk);
adder addA9(remaindertmp[8],resone[9],remaindershitmp[7],divisortmp[8],clk);
shift shiA9(remaindershitmp[8],resulttmp[9],remaindertmp[8],resulttmp[8],resone[9],clk);
chose choB10(divisortmp[9],divisor,resone[9],clk);
adder addA10(remaindertmp[9],resone[10],remaindershitmp[8],divisortmp[9],clk);
shift shiA10(remaindershitmp[9],resulttmp[10],remaindertmp[9],resulttmp[9],resone[10],clk);
chose choB11(divisortmp[10],divisor,resone[10],clk);
adder addA11(remaindertmp[10],resone[11],remaindershitmp[9],divisortmp[10],clk);
shift shiA11(remaindershitmp[10],resulttmp[11],remaindertmp[10],resulttmp[10],resone[11],clk);
chose choB12(divisortmp[11],divisor,resone[11],clk);
adder addA12(remaindertmp[11],resone[12],remaindershitmp[10],divisortmp[11],clk);
shift shiA12(remaindershitmp[11],resulttmp[12],remaindertmp[11],resulttmp[11],resone[12],clk);
chose choB13(divisortmp[12],divisor,resone[12],clk);
adder addA13(remaindertmp[12],resone[13],remaindershitmp[11],divisortmp[12],clk);
shift shiA13(remaindershitmp[12],resulttmp[13],remaindertmp[12],resulttmp[12],resone[13],clk);
chose choB14(divisortmp[13],divisor,resone[13],clk);
adder addA14(remaindertmp[13],resone[14],remaindershitmp[12],divisortmp[13],clk);
shift shiA14(remaindershitmp[13],resulttmp[14],remaindertmp[13],resulttmp[13],resone[14],clk);
chose choB15(divisortmp[14],divisor,resone[14],clk);
adder addA15(remaindertmp[14],resone[15],remaindershitmp[13],divisortmp[14],clk);
shift shiA15(remaindershitmp[14],resulttmp[15],remaindertmp[14],resulttmp[14],resone[15],clk);
chose choB16(divisortmp[15],divisor,resone[15],clk);
adder addA16(remaindertmp[15],resone[16],remaindershitmp[14],divisortmp[15],clk);
shift shiA16(remaindershitmp[15],resulttmp[16],remaindertmp[15],resulttmp[15],resone[16],clk);
chose choB17(divisortmp[16],divisor,resone[16],clk);
adder addA17(remaindertmp[16],resone[17],remaindershitmp[15],divisortmp[16],clk);
assign resulttmp[17]=resulttmp[16]+resone[17];
remrec rr(remaindertmp[17],remaindertmp[16],divisortmp[16],resone[17],clk);
always @(posedge clk)
begin
result=resulttmp[17];
if(resone[17]) //如果最后一位商为1,则不恢复余数,否则恢复余数
remainder=remaindertmp[16];
else if(!resone[17])
remainder=remaindertmp[17];
end
endmodule测试模块:
/*激励
*/
`timescale 1 ns/ 1 ps
module IC;
reg clk;
wire [16:0]dividend;
wire [16:0]divisor;
wire [16:0]remainder;
wire [16:0]result;
IC_CDesign i1(
.clk(clk),
.dividend(dividend),
.divisor(divisor),
.remainder(remainder),
.result(result));
always
#10 clk=~clk;
initial
begin
clk=0;
//dividend=17'b0_1010_0000_1010_0000;
//divisor=17'b0_0001_1010_0001_1010;
#1000 $stop;
end
endmodule
评论已关闭