O_STM32F103ZET6开发板
O_嵌入式专题目录
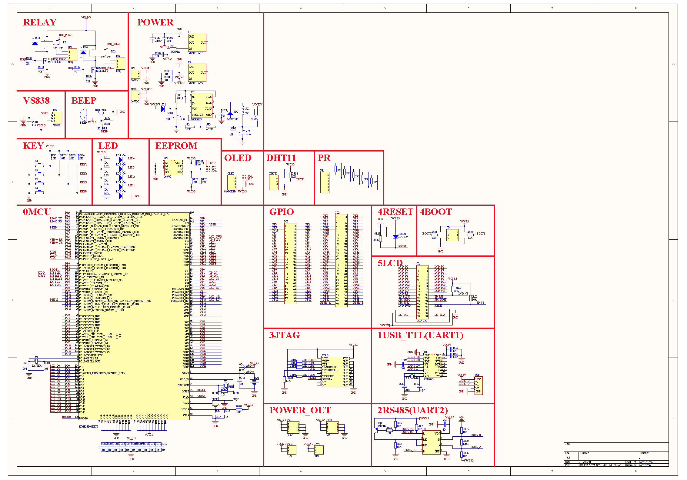
- 引出所有单片机IO;
- 外设EEPROM,两路继电器输出,JTAG调试接口,四路按键五路LED灯,一路蜂鸣器,一路温度传感器接口,一路红外接收管管接口,一路OLED I2C接口,一路自收发RS485接口,一路USB转TTL接口;
- 预留电容触摸TFT显示屏接口;
- 预留8位电阻编码阻值输出接口;
- 支持MicroUSB转串口及供电,支持24V外接供电,预留3.3V、5V、12V、24V电源输出。
SCH

PCB

{% pdf /usr/sourcefile/O_STM32F103ZET6开发板/STM_SYS_PCB_A1.pdf %}
测试代码A01_HAL_PLUS_1
main.c
/* USER CODE BEGIN Header */ /** ****************************************************************************** * @file : main.c * @brief : Main program body ****************************************************************************** * @attention * * <h2><center>© Copyright (c) 2019 STMicroelectronics. * All rights reserved.</center></h2> * * This software component is licensed by ST under BSD 3-Clause license, * the "License"; You may not use this file except in compliance with the * License. You may obtain a copy of the License at: * opensource.org/licenses/BSD-3-Clause * ****************************************************************************** */ /* USER CODE END Header */ /* Includes ------------------------------------------------------------------*/ #include "main.h" /* Private includes ----------------------------------------------------------*/ /* USER CODE BEGIN Includes */ #include "string.h" #include "stdio.h" /* USER CODE END Includes */ /* Private typedef -----------------------------------------------------------*/ /* USER CODE BEGIN PTD */ #define UART_BUF_MAX 20 uint8_t UART_BUF=0; uint8_t UART_BUF_COUNT=0; uint8_t UART_BUF_TRY[UART_BUF_MAX]; uint8_t U2_Send[2]={'2','3'}; /* USER CODE END PTD */ /* Private define ------------------------------------------------------------*/ /* USER CODE BEGIN PD */ /* USER CODE END PD */ /* Private macro -------------------------------------------------------------*/ /* USER CODE BEGIN PM */ /* USER CODE END PM */ /* Private variables ---------------------------------------------------------*/ UART_HandleTypeDef huart1; UART_HandleTypeDef huart2; /* USER CODE BEGIN PV */ /* USER CODE END PV */ /* Private function prototypes -----------------------------------------------*/ void SystemClock_Config(void); static void MX_GPIO_Init(void); static void MX_USART1_UART_Init(void); static void MX_USART2_UART_Init(void); /* USER CODE BEGIN PFP */ /* USER CODE END PFP */ /* Private user code ---------------------------------------------------------*/ /* USER CODE BEGIN 0 */ int fputc(int ch, FILE *f) { HAL_UART_Transmit(&huart1, (uint8_t *)&ch, 1, 1000); return ch; } void delay_us(uint32_t us) { uint32_t temp; SysTick->LOAD = 9*us; SysTick->VAL=0X00; SysTick->CTRL=0X01; do { temp=SysTick->CTRL; }while((temp&0x01)&&(!(temp&(1<<16)))); SysTick->CTRL=0x00; SysTick->VAL =0X00; } void delay_ms(uint16_t ms) { uint32_t temp; SysTick->LOAD = 9000*ms; SysTick->VAL=0X00; SysTick->CTRL=0X01; do { temp=SysTick->CTRL; }while((temp&0x01)&&(!(temp&(1<<16)))); SysTick->CTRL=0x00; SysTick->VAL =0X00; } void KEY_DOWN_BLOCK(void) { uint8_t i; if(HAL_GPIO_ReadPin(Key2_GPIO_Port, Key2_Pin)==GPIO_PIN_RESET) { delay_ms(20); if(HAL_GPIO_ReadPin(Key2_GPIO_Port, Key2_Pin)==GPIO_PIN_RESET) { while(HAL_GPIO_ReadPin(Key2_GPIO_Port, Key2_Pin)==GPIO_PIN_RESET); HAL_GPIO_WritePin(LED4_GPIO_Port, LED4_Pin, GPIO_PIN_RESET); delay_ms(300); HAL_GPIO_WritePin(LED3_GPIO_Port, LED3_Pin, GPIO_PIN_RESET); delay_ms(300); HAL_GPIO_WritePin(LED2_GPIO_Port, LED2_Pin, GPIO_PIN_RESET); delay_ms(300); HAL_GPIO_WritePin(LED1_GPIO_Port, LED1_Pin, GPIO_PIN_RESET); delay_ms(300); } } if(HAL_GPIO_ReadPin(Key1_GPIO_Port, Key1_Pin)==GPIO_PIN_RESET) { delay_ms(20); if(HAL_GPIO_ReadPin(Key1_GPIO_Port, Key1_Pin)==GPIO_PIN_RESET) { while(HAL_GPIO_ReadPin(Key1_GPIO_Port, Key1_Pin)==GPIO_PIN_RESET); HAL_GPIO_WritePin(LED4_GPIO_Port, LED4_Pin, GPIO_PIN_SET); delay_ms(300); HAL_GPIO_WritePin(LED3_GPIO_Port, LED3_Pin, GPIO_PIN_SET); delay_ms(300); HAL_GPIO_WritePin(LED2_GPIO_Port, LED2_Pin, GPIO_PIN_SET); delay_ms(300); HAL_GPIO_WritePin(LED1_GPIO_Port, LED1_Pin, GPIO_PIN_SET); delay_ms(300); } } if(HAL_GPIO_ReadPin(Key4_GPIO_Port, Key4_Pin)==GPIO_PIN_RESET) { delay_ms(20); if(HAL_GPIO_ReadPin(Key4_GPIO_Port, Key4_Pin)==GPIO_PIN_RESET) { while(HAL_GPIO_ReadPin(Key4_GPIO_Port, Key4_Pin)==GPIO_PIN_RESET); HAL_GPIO_TogglePin(LED4_GPIO_Port, LED4_Pin); delay_ms(300); HAL_GPIO_TogglePin(LED3_GPIO_Port, LED3_Pin); delay_ms(300); HAL_GPIO_TogglePin(LED2_GPIO_Port, LED2_Pin); delay_ms(300); HAL_GPIO_TogglePin(LED1_GPIO_Port, LED1_Pin); delay_ms(300); HAL_GPIO_TogglePin(LED4_GPIO_Port, LED4_Pin); delay_ms(300); HAL_GPIO_TogglePin(LED3_GPIO_Port, LED3_Pin); delay_ms(300); HAL_GPIO_TogglePin(LED2_GPIO_Port, LED2_Pin); delay_ms(300); HAL_GPIO_TogglePin(LED1_GPIO_Port, LED1_Pin); delay_ms(300); //HAL_GPIO_WritePin(GPIOA, GPIO_PIN_3, GPIO_PIN_SET); for(i=0;i<2;i++) { HAL_UART_Transmit(&huart1, &U2_Send[i],1,1000); HAL_UART_Transmit(&huart2, &U2_Send[i],1,1000); } } } if(HAL_GPIO_ReadPin(Key3_GPIO_Port, Key3_Pin)==GPIO_PIN_RESET) { delay_ms(20); if(HAL_GPIO_ReadPin(Key3_GPIO_Port, Key3_Pin)==GPIO_PIN_RESET) { while(HAL_GPIO_ReadPin(Key3_GPIO_Port, Key3_Pin)==GPIO_PIN_RESET); HAL_GPIO_WritePin(BEEP_GPIO_Port, BEEP_Pin, GPIO_PIN_SET); delay_ms(100); HAL_GPIO_WritePin(BEEP_GPIO_Port, BEEP_Pin, GPIO_PIN_RESET); delay_ms(100); HAL_GPIO_WritePin(BEEP_GPIO_Port, BEEP_Pin, GPIO_PIN_SET); delay_ms(100); HAL_GPIO_WritePin(BEEP_GPIO_Port, BEEP_Pin, GPIO_PIN_RESET); delay_ms(100); } } } void LED_SPEED(void) { HAL_GPIO_TogglePin(LED4_GPIO_Port, LED4_Pin); HAL_GPIO_TogglePin(LED3_GPIO_Port, LED3_Pin); HAL_GPIO_TogglePin(LED2_GPIO_Port, LED2_Pin); HAL_GPIO_TogglePin(LED1_GPIO_Port, LED1_Pin); HAL_GPIO_TogglePin(BEEP_GPIO_Port, BEEP_Pin); HAL_GPIO_TogglePin(Relay1_GPIO_Port, Relay1_Pin); HAL_GPIO_TogglePin(Relay2_GPIO_Port, Relay2_Pin); delay_ms(500); } void UART_RECV(void) { if(UART_BUF_COUNT<UART_BUF_MAX) { UART_BUF_TRY[UART_BUF_COUNT++]=UART_BUF; } else { UART_BUF_COUNT=0; } HAL_UART_Receive_IT(&huart1, &UART_BUF, 1); } void HAL_UART_RxCpltCallback(UART_HandleTypeDef *huart) { if(huart==&huart1) { UART_RECV(); } } void UART_SEND(void) { uint8_t i=0; if(UART_BUF_COUNT>0) { delay_ms(20); for(i=0;i<UART_BUF_COUNT;i++) { HAL_UART_Transmit(&huart1, &UART_BUF_TRY[i],1,1000); } UART_BUF_COUNT=0; } } void UART_CONTROL(void) { if(UART_BUF_COUNT>0) { printf("\n33\n"); UART_SEND(); printf("\n%d\n",UART_BUF_COUNT); delay_ms(20); UART_SEND(); printf("\n%d\n",UART_BUF_COUNT); if(../*UART_BUF_TRY[0]=='C'*/(memcmp(UART_BUF_TRY, "CH340G", 6)==0)) { UART_SEND(); printf("\nCH340G Test Success!\n"); } UART_SEND(); printf("\n%d\n",UART_BUF_COUNT); UART_BUF_COUNT=0; memset(UART_BUF_TRY, 0, sizeof(UART_BUF_TRY)); printf("\n44\n"); } } /* USER CODE END 0 */ /** * @brief The application entry point. * @retval int */ int main(void) { /* USER CODE BEGIN 1 */ /* USER CODE END 1 */ /* MCU Configuration--------------------------------------------------------*/ /* Reset of all peripherals, Initializes the Flash interface and the Systick. */ HAL_Init(); /* USER CODE BEGIN Init */ /* USER CODE END Init */ /* Configure the system clock */ SystemClock_Config(); /* USER CODE BEGIN SysInit */ /* USER CODE END SysInit */ /* Initialize all configured peripherals */ MX_GPIO_Init(); MX_USART1_UART_Init(); MX_USART2_UART_Init(); /* USER CODE BEGIN 2 */ HAL_UART_Receive_IT(&huart1, &UART_BUF, 1); HAL_UART_Receive_IT(&huart2, &UART_BUF, 1); /* USER CODE END 2 */ /* Infinite loop */ /* USER CODE BEGIN WHILE */ while (1) { //UART_CONTROL(); KEY_DOWN_BLOCK(); //LED_SPEED(); /* USER CODE END WHILE */ /* USER CODE BEGIN 3 */ } /* USER CODE END 3 */ } /** * @brief System Clock Configuration * @retval None */ void SystemClock_Config(void) { RCC_OscInitTypeDef RCC_OscInitStruct = {0}; RCC_ClkInitTypeDef RCC_ClkInitStruct = {0}; /** Initializes the CPU, AHB and APB busses clocks */ RCC_OscInitStruct.OscillatorType = RCC_OSCILLATORTYPE_HSE; RCC_OscInitStruct.HSEState = RCC_HSE_ON; RCC_OscInitStruct.HSEPredivValue = RCC_HSE_PREDIV_DIV1; RCC_OscInitStruct.HSIState = RCC_HSI_ON; RCC_OscInitStruct.PLL.PLLState = RCC_PLL_ON; RCC_OscInitStruct.PLL.PLLSource = RCC_PLLSOURCE_HSE; RCC_OscInitStruct.PLL.PLLMUL = RCC_PLL_MUL9; if (HAL_RCC_OscConfig(&RCC_OscInitStruct) != HAL_OK) { Error_Handler(); } /** Initializes the CPU, AHB and APB busses clocks */ RCC_ClkInitStruct.ClockType = RCC_CLOCKTYPE_HCLK|RCC_CLOCKTYPE_SYSCLK |RCC_CLOCKTYPE_PCLK1|RCC_CLOCKTYPE_PCLK2; RCC_ClkInitStruct.SYSCLKSource = RCC_SYSCLKSOURCE_PLLCLK; RCC_ClkInitStruct.AHBCLKDivider = RCC_SYSCLK_DIV1; RCC_ClkInitStruct.APB1CLKDivider = RCC_HCLK_DIV2; RCC_ClkInitStruct.APB2CLKDivider = RCC_HCLK_DIV1; if (HAL_RCC_ClockConfig(&RCC_ClkInitStruct, FLASH_LATENCY_2) != HAL_OK) { Error_Handler(); } } /** * @brief USART1 Initialization Function * @param None * @retval None */ static void MX_USART1_UART_Init(void) { /* USER CODE BEGIN USART1_Init 0 */ /* USER CODE END USART1_Init 0 */ /* USER CODE BEGIN USART1_Init 1 */ /* USER CODE END USART1_Init 1 */ huart1.Instance = USART1; huart1.Init.BaudRate = 9600; huart1.Init.WordLength = UART_WORDLENGTH_8B; huart1.Init.StopBits = UART_STOPBITS_1; huart1.Init.Parity = UART_PARITY_NONE; huart1.Init.Mode = UART_MODE_TX_RX; huart1.Init.HwFlowCtl = UART_HWCONTROL_NONE; huart1.Init.OverSampling = UART_OVERSAMPLING_16; if (HAL_UART_Init(&huart1) != HAL_OK) { Error_Handler(); } /* USER CODE BEGIN USART1_Init 2 */ /* USER CODE END USART1_Init 2 */ } /** * @brief USART2 Initialization Function * @param None * @retval None */ static void MX_USART2_UART_Init(void) { /* USER CODE BEGIN USART2_Init 0 */ /* USER CODE END USART2_Init 0 */ /* USER CODE BEGIN USART2_Init 1 */ /* USER CODE END USART2_Init 1 */ huart2.Instance = USART2; huart2.Init.BaudRate = 9600; huart2.Init.WordLength = UART_WORDLENGTH_8B; huart2.Init.StopBits = UART_STOPBITS_1; huart2.Init.Parity = UART_PARITY_NONE; huart2.Init.Mode = UART_MODE_TX_RX; huart2.Init.HwFlowCtl = UART_HWCONTROL_NONE; huart2.Init.OverSampling = UART_OVERSAMPLING_16; if (HAL_UART_Init(&huart2) != HAL_OK) { Error_Handler(); } /* USER CODE BEGIN USART2_Init 2 */ /* USER CODE END USART2_Init 2 */ } /** * @brief GPIO Initialization Function * @param None * @retval None */ static void MX_GPIO_Init(void) { GPIO_InitTypeDef GPIO_InitStruct = {0}; /* GPIO Ports Clock Enable */ __HAL_RCC_GPIOF_CLK_ENABLE(); __HAL_RCC_GPIOA_CLK_ENABLE(); __HAL_RCC_GPIOE_CLK_ENABLE(); /*Configure GPIO pin Output Level */ HAL_GPIO_WritePin(GPIOF, Relay1_Pin|Relay2_Pin, GPIO_PIN_RESET); /*Configure GPIO pin Output Level */ HAL_GPIO_WritePin(BEEP_GPIO_Port, BEEP_Pin, GPIO_PIN_RESET); /*Configure GPIO pin Output Level */ HAL_GPIO_WritePin(GPIOE, LED1_Pin|LED2_Pin|LED3_Pin|LED4_Pin, GPIO_PIN_SET); /*Configure GPIO pins : Relay1_Pin Relay2_Pin */ GPIO_InitStruct.Pin = Relay1_Pin|Relay2_Pin; GPIO_InitStruct.Mode = GPIO_MODE_OUTPUT_PP; GPIO_InitStruct.Pull = GPIO_NOPULL; GPIO_InitStruct.Speed = GPIO_SPEED_FREQ_LOW; HAL_GPIO_Init(GPIOF, &GPIO_InitStruct); /*Configure GPIO pin : BEEP_Pin */ GPIO_InitStruct.Pin = BEEP_Pin; GPIO_InitStruct.Mode = GPIO_MODE_OUTPUT_PP; GPIO_InitStruct.Pull = GPIO_NOPULL; GPIO_InitStruct.Speed = GPIO_SPEED_FREQ_LOW; HAL_GPIO_Init(BEEP_GPIO_Port, &GPIO_InitStruct); /*Configure GPIO pins : LED1_Pin LED2_Pin LED3_Pin LED4_Pin */ GPIO_InitStruct.Pin = LED1_Pin|LED2_Pin|LED3_Pin|LED4_Pin; GPIO_InitStruct.Mode = GPIO_MODE_OUTPUT_PP; GPIO_InitStruct.Pull = GPIO_NOPULL; GPIO_InitStruct.Speed = GPIO_SPEED_FREQ_LOW; HAL_GPIO_Init(GPIOE, &GPIO_InitStruct); /*Configure GPIO pins : Key1_Pin Key2_Pin Key3_Pin Key4_Pin */ GPIO_InitStruct.Pin = Key1_Pin|Key2_Pin|Key3_Pin|Key4_Pin; GPIO_InitStruct.Mode = GPIO_MODE_INPUT; GPIO_InitStruct.Pull = GPIO_NOPULL; HAL_GPIO_Init(GPIOE, &GPIO_InitStruct); } /* USER CODE BEGIN 4 */ /* USER CODE END 4 */ /** * @brief This function is executed in case of error occurrence. * @retval None */ void Error_Handler(void) { /* USER CODE BEGIN Error_Handler_Debug */ /* User can add his own implementation to report the HAL error return state */ /* USER CODE END Error_Handler_Debug */ } #ifdef USE_FULL_ASSERT /** * @brief Reports the name of the source file and the source line number * where the assert_param error has occurred. * @param file: pointer to the source file name * @param line: assert_param error line source number * @retval None */ void assert_failed(uint8_t *file, uint32_t line) { /* USER CODE BEGIN 6 */ /* User can add his own implementation to report the file name and line number, tex: printf("Wrong parameters value: file %s on line %d\r\n", file, line) */ /* USER CODE END 6 */ } #endif /* USE_FULL_ASSERT */ /************************ (C) COPYRIGHT STMicroelectronics *****END OF FILE****/
CubeMx工程
A01_HAL_PLUS_1.ioc
#MicroXplorer Configuration settings - do not modify File.Version=6 KeepUserPlacement=false Mcu.Family=STM32F1 Mcu.IP0=NVIC Mcu.IP1=RCC Mcu.IP2=SYS Mcu.IP3=USART1 Mcu.IP4=USART2 Mcu.IPNb=5 Mcu.Name=STM32F103Z(C-D-E)Tx Mcu.Package=LQFP144 Mcu.Pin0=PF4 Mcu.Pin1=PF5 Mcu.Pin10=PE11 Mcu.Pin11=PE12 Mcu.Pin12=PE13 Mcu.Pin13=PE14 Mcu.Pin14=PE15 Mcu.Pin15=PA9 Mcu.Pin16=PA10 Mcu.Pin17=PA13 Mcu.Pin18=PA14 Mcu.Pin19=VP_SYS_VS_Systick Mcu.Pin2=OSC_IN Mcu.Pin3=OSC_OUT Mcu.Pin4=PA2 Mcu.Pin5=PA3 Mcu.Pin6=PA5 Mcu.Pin7=PE8 Mcu.Pin8=PE9 Mcu.Pin9=PE10 Mcu.PinsNb=20 Mcu.ThirdPartyNb=0 Mcu.UserConstants= Mcu.UserName=STM32F103ZETx MxCube.Version=5.3.0 MxDb.Version=DB.5.0.30 NVIC.BusFault_IRQn=true\:0\:0\:false\:false\:true\:false\:false NVIC.DebugMonitor_IRQn=true\:0\:0\:false\:false\:true\:false\:false NVIC.HardFault_IRQn=true\:0\:0\:false\:false\:true\:false\:false NVIC.MemoryManagement_IRQn=true\:0\:0\:false\:false\:true\:false\:false NVIC.NonMaskableInt_IRQn=true\:0\:0\:false\:false\:true\:false\:false NVIC.PendSV_IRQn=true\:0\:0\:false\:false\:true\:false\:false NVIC.PriorityGroup=NVIC_PRIORITYGROUP_4 NVIC.SVCall_IRQn=true\:0\:0\:false\:false\:true\:false\:false NVIC.SysTick_IRQn=true\:0\:0\:false\:false\:true\:false\:true NVIC.USART1_IRQn=true\:0\:0\:false\:false\:true\:true\:true NVIC.USART2_IRQn=true\:0\:0\:false\:false\:true\:true\:true NVIC.UsageFault_IRQn=true\:0\:0\:false\:false\:true\:false\:false OSC_IN.Locked=true OSC_IN.Mode=HSE-External-Oscillator OSC_IN.Signal=RCC_OSC_IN OSC_OUT.Locked=true OSC_OUT.Mode=HSE-External-Oscillator OSC_OUT.Signal=RCC_OSC_OUT PA10.Mode=Asynchronous PA10.Signal=USART1_RX PA13.Locked=true PA13.Mode=Serial_Wire PA13.Signal=SYS_JTMS-SWDIO PA14.Locked=true PA14.Mode=Serial_Wire PA14.Signal=SYS_JTCK-SWCLK PA2.Mode=Asynchronous PA2.Signal=USART2_TX PA3.Mode=Asynchronous PA3.Signal=USART2_RX PA5.GPIOParameters=PinState,GPIO_Label PA5.GPIO_Label=BEEP PA5.Locked=true PA5.PinState=GPIO_PIN_RESET PA5.Signal=GPIO_Output PA9.Mode=Asynchronous PA9.Signal=USART1_TX PCC.Checker=false PCC.Line=STM32F103 PCC.MCU=STM32F103Z(C-D-E)Tx PCC.PartNumber=STM32F103ZETx PCC.Seq0=0 PCC.Series=STM32F1 PCC.Temperature=25 PCC.Vdd=3.3 PE10.GPIOParameters=GPIO_Speed,PinState,GPIO_PuPd,GPIO_Label,GPIO_ModeDefaultOutputPP PE10.GPIO_Label=LED3 PE10.GPIO_ModeDefaultOutputPP=GPIO_MODE_OUTPUT_PP PE10.GPIO_PuPd=GPIO_NOPULL PE10.GPIO_Speed=GPIO_SPEED_FREQ_LOW PE10.Locked=true PE10.PinState=GPIO_PIN_SET PE10.Signal=GPIO_Output PE11.GPIOParameters=GPIO_Speed,PinState,GPIO_PuPd,GPIO_Label,GPIO_ModeDefaultOutputPP PE11.GPIO_Label=LED4 PE11.GPIO_ModeDefaultOutputPP=GPIO_MODE_OUTPUT_PP PE11.GPIO_PuPd=GPIO_NOPULL PE11.GPIO_Speed=GPIO_SPEED_FREQ_LOW PE11.Locked=true PE11.PinState=GPIO_PIN_SET PE11.Signal=GPIO_Output PE12.GPIOParameters=GPIO_Label PE12.GPIO_Label=Key1 PE12.Locked=true PE12.Signal=GPIO_Input PE13.GPIOParameters=GPIO_Label PE13.GPIO_Label=Key2 PE13.Locked=true PE13.Signal=GPIO_Input PE14.GPIOParameters=GPIO_Label PE14.GPIO_Label=Key3 PE14.Locked=true PE14.Signal=GPIO_Input PE15.GPIOParameters=GPIO_Label PE15.GPIO_Label=Key4 PE15.Locked=true PE15.Signal=GPIO_Input PE8.GPIOParameters=GPIO_Speed,PinState,GPIO_PuPd,GPIO_Label,GPIO_ModeDefaultOutputPP PE8.GPIO_Label=LED1 PE8.GPIO_ModeDefaultOutputPP=GPIO_MODE_OUTPUT_PP PE8.GPIO_PuPd=GPIO_NOPULL PE8.GPIO_Speed=GPIO_SPEED_FREQ_LOW PE8.Locked=true PE8.PinState=GPIO_PIN_SET PE8.Signal=GPIO_Output PE9.GPIOParameters=GPIO_Speed,PinState,GPIO_PuPd,GPIO_Label,GPIO_ModeDefaultOutputPP PE9.GPIO_Label=LED2 PE9.GPIO_ModeDefaultOutputPP=GPIO_MODE_OUTPUT_PP PE9.GPIO_PuPd=GPIO_NOPULL PE9.GPIO_Speed=GPIO_SPEED_FREQ_LOW PE9.Locked=true PE9.PinState=GPIO_PIN_SET PE9.Signal=GPIO_Output PF4.GPIOParameters=GPIO_Label PF4.GPIO_Label=Relay1 PF4.Locked=true PF4.Signal=GPIO_Output PF5.GPIOParameters=GPIO_Label PF5.GPIO_Label=Relay2 PF5.Locked=true PF5.Signal=GPIO_Output PinOutPanel.RotationAngle=0 ProjectManager.AskForMigrate=true ProjectManager.BackupPrevious=false ProjectManager.CompilerOptimize=6 ProjectManager.ComputerToolchain=false ProjectManager.CoupleFile=false ProjectManager.CustomerFirmwarePackage= ProjectManager.DefaultFWLocation=true ProjectManager.DeletePrevious=true ProjectManager.DeviceId=STM32F103ZETx ProjectManager.FirmwarePackage=STM32Cube FW_F1 V1.8.0 ProjectManager.FreePins=false ProjectManager.HalAssertFull=false ProjectManager.HeapSize=0x200 ProjectManager.KeepUserCode=true ProjectManager.LastFirmware=true ProjectManager.LibraryCopy=1 ProjectManager.MainLocation=Src ProjectManager.NoMain=false ProjectManager.PreviousToolchain= ProjectManager.ProjectBuild=false ProjectManager.ProjectFileName=A01_HAL_PLUS_1.ioc ProjectManager.ProjectName=A01_HAL_PLUS_1 ProjectManager.StackSize=0x400 ProjectManager.TargetToolchain=MDK-ARM V5 ProjectManager.ToolChainLocation= ProjectManager.UnderRoot=false ProjectManager.functionlistsort=1-MX_GPIO_Init-GPIO-false-HAL-true,2-SystemClock_Config-RCC-false-HAL-false,3-MX_USART1_UART_Init-USART1-false-HAL-true RCC.ADCFreqValue=36000000 RCC.AHBFreq_Value=72000000 RCC.APB1CLKDivider=RCC_HCLK_DIV2 RCC.APB1Freq_Value=36000000 RCC.APB1TimFreq_Value=72000000 RCC.APB2Freq_Value=72000000 RCC.APB2TimFreq_Value=72000000 RCC.FCLKCortexFreq_Value=72000000 RCC.FSMCFreq_Value=72000000 RCC.FamilyName=M RCC.HCLKFreq_Value=72000000 RCC.I2S2Freq_Value=72000000 RCC.I2S3Freq_Value=72000000 RCC.IPParameters=ADCFreqValue,AHBFreq_Value,APB1CLKDivider,APB1Freq_Value,APB1TimFreq_Value,APB2Freq_Value,APB2TimFreq_Value,FCLKCortexFreq_Value,FSMCFreq_Value,FamilyName,HCLKFreq_Value,I2S2Freq_Value,I2S3Freq_Value,MCOFreq_Value,PLLCLKFreq_Value,PLLMCOFreq_Value,PLLMUL,PLLSourceVirtual,SDIOFreq_Value,SDIOHCLKDiv2FreqValue,SYSCLKFreq_VALUE,SYSCLKSource,TimSysFreq_Value,USBFreq_Value,VCOOutput2Freq_Value RCC.MCOFreq_Value=72000000 RCC.PLLCLKFreq_Value=72000000 RCC.PLLMCOFreq_Value=36000000 RCC.PLLMUL=RCC_PLL_MUL9 RCC.PLLSourceVirtual=RCC_PLLSOURCE_HSE RCC.SDIOFreq_Value=72000000 RCC.SDIOHCLKDiv2FreqValue=36000000 RCC.SYSCLKFreq_VALUE=72000000 RCC.SYSCLKSource=RCC_SYSCLKSOURCE_PLLCLK RCC.TimSysFreq_Value=72000000 RCC.USBFreq_Value=72000000 RCC.VCOOutput2Freq_Value=8000000 USART1.BaudRate=9600 USART1.IPParameters=VirtualMode,BaudRate USART1.VirtualMode=VM_ASYNC USART2.BaudRate=9600 USART2.IPParameters=VirtualMode,BaudRate USART2.VirtualMode=VM_ASYNC VP_SYS_VS_Systick.Mode=SysTick VP_SYS_VS_Systick.Signal=SYS_VS_Systick board=custom
评论已关闭